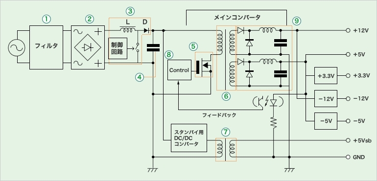
『ATX電源のブロックダイアグラムなので略図です』 その他オーディオ機器すべて BRDさんのクチコミ掲示板画像1/1
ホーム
>
家電
>
その他オーディオ機器
>
画像1/1
Tweet
ATX電源のブロックダイアグラムなので略図です
投稿者名
[16024955]
BRD
さん
撮影日時
カメラ機種
レンズ名
シャッター速度
焦点距離
絞り数値
露出補正
ISO感度
フラッシュ
[16024955] BRDさんの画像一覧
ATX電源のブロックダイアグラムなので略図です
このウィンドウを閉じる