『赤小基板 回路修正箇所』 スピーカーすべて BOWSさんのクチコミ掲示板画像1/2
ホーム
>
家電
>
スピーカー
>
画像1/2
Tweet
赤小基板 回路修正箇所
投稿者名
[20751880]
BOWS
さん
撮影日時
カメラ機種
レンズ名
シャッター速度
焦点距離
絞り数値
露出補正
ISO感度
フラッシュ
[20751880] BOWSさんの画像一覧
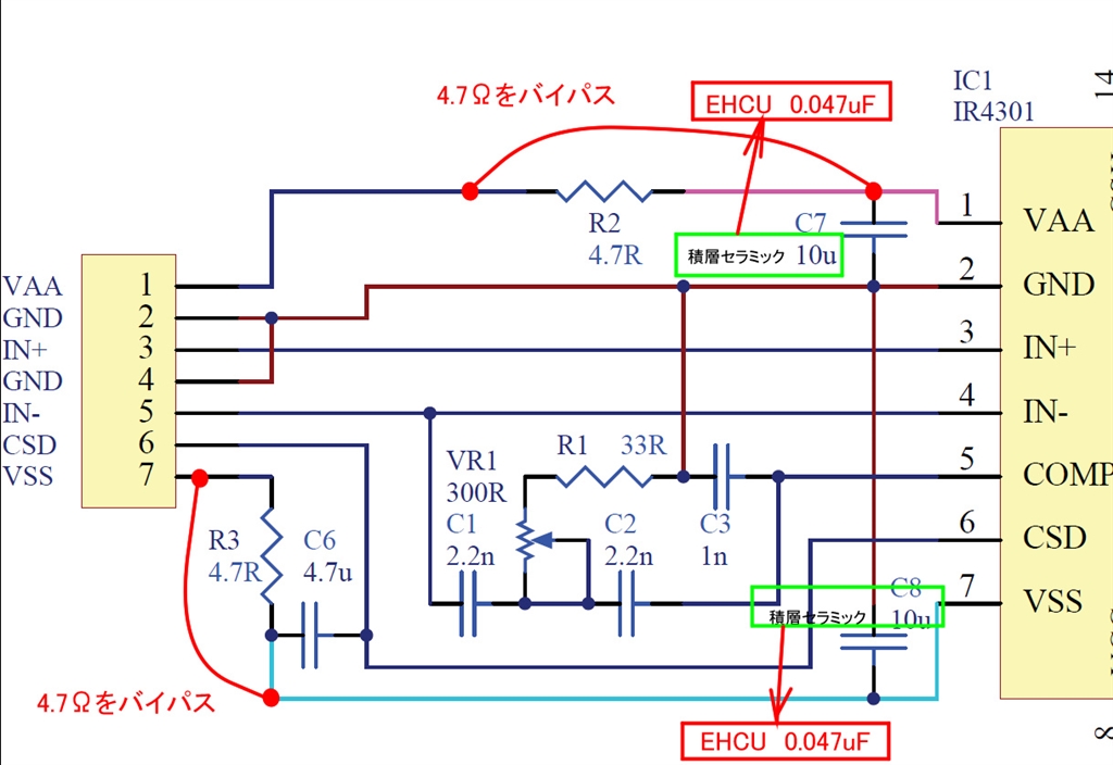
赤小基板 回路修正箇所
チップコンデンサ換装後 バイパス線を飛ばす
このウィンドウを閉じる