『パターンから見える事』 スピーカーすべて 一休みさんのクチコミ掲示板画像2/2
ホーム
>
家電
>
スピーカー
>
画像2/2
Tweet
パターンから見える事
投稿者名
[22315789]
一休み
さん
撮影日時
カメラ機種
レンズ名
シャッター速度
焦点距離
絞り数値
露出補正
ISO感度
フラッシュ
[22315789] 一休みさんの画像一覧
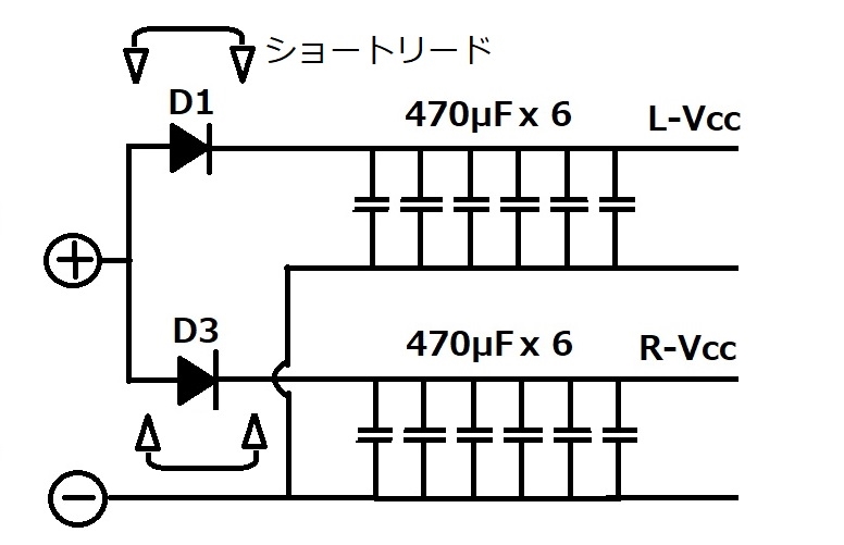
D1 D3 D8
パターンから見える事
このウィンドウを閉じる