『パラ接続?』 スピーカーすべて 一休みさんのクチコミ掲示板画像2/4
ホーム
>
家電
>
スピーカー
>
画像2/4
Tweet
パラ接続?
投稿者名
[22537970]
一休み
さん
撮影日時
カメラ機種
レンズ名
シャッター速度
焦点距離
絞り数値
露出補正
ISO感度
フラッシュ
[22537970] 一休みさんの画像一覧
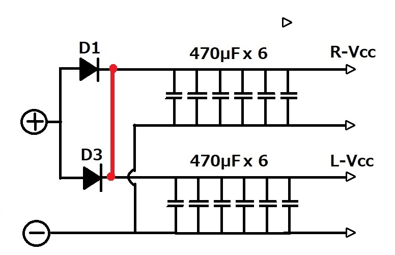
電源のコンデンサーは12個パラの様です。
パラ接続?
片方のパターンカットしたらコンデンサーブロックが分離状態となった
半田ランドにして、元に戻しました
このウィンドウを閉じる