『DCD-1650ARのHPA回路図』 ネットワークオーディオプレーヤーすべて blackbird1212さんのクチコミ掲示板画像1/4
ホーム
>
家電
>
ネットワークオーディオプレーヤー
>
画像1/4
Tweet
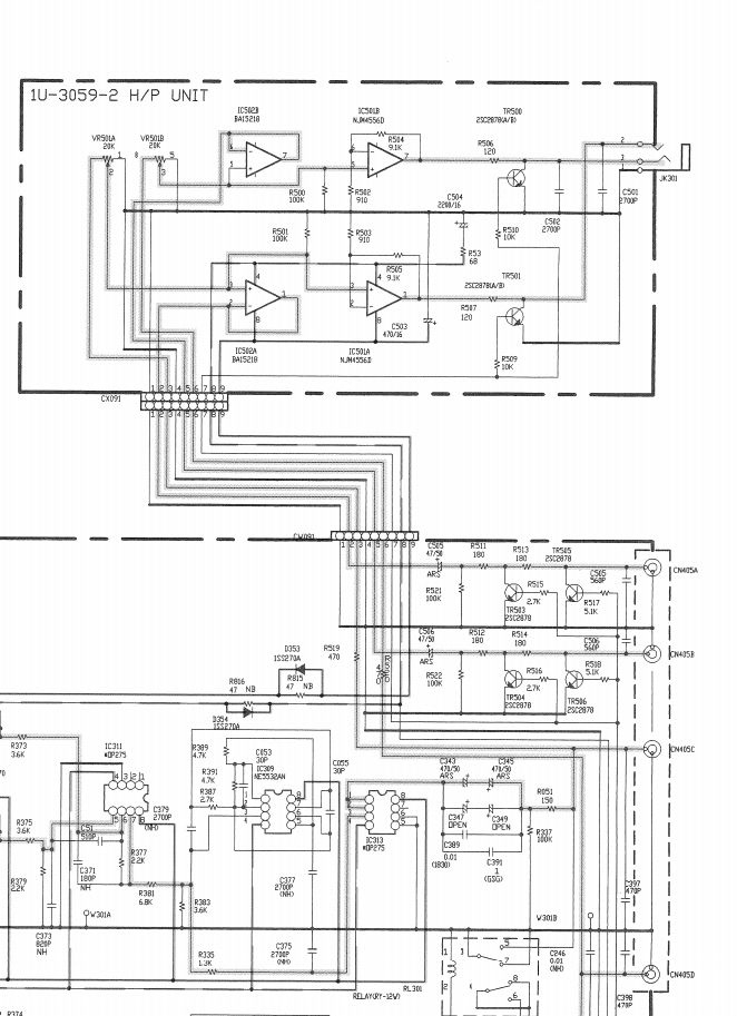
DCD-1650ARのHPA回路図
投稿者名
[23946570]
blackbird1212
さん
撮影日時
カメラ機種
レンズ名
シャッター速度
焦点距離
絞り数値
露出補正
ISO感度
フラッシュ
[23946570] blackbird1212さんの画像一覧
DCD-1650ARのHPA回路図
DCD-S10のHPA回路図
DCD-1650ALのHPA
DCD-1650ALの出力部分
このウィンドウを閉じる