『2次のHPF』 スピーカーすべて bebezさんのクチコミ掲示板画像2/2
ホーム
>
家電
>
スピーカー
>
画像2/2
Tweet
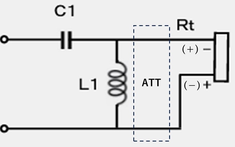
2次のHPF
投稿者名
[25409378]
bebez
さん
撮影日時
カメラ機種
レンズ名
シャッター速度
焦点距離
絞り数値
露出補正
ISO感度
フラッシュ
[25409378] bebezさんの画像一覧
1次のHPF
2次のHPF
このウィンドウを閉じる