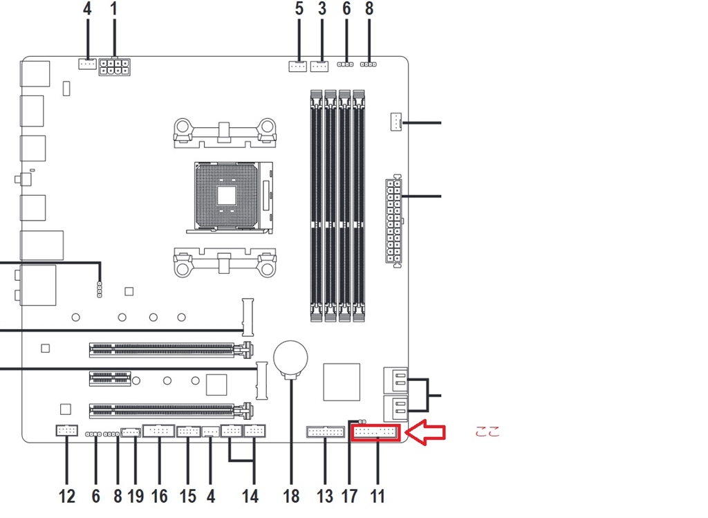
『ここ』 デスクトップパソコンすべて usernonさんのクチコミ掲示板画像1/2
ホーム
>
パソコン
>
デスクトップパソコン
>
画像1/2
Tweet
ここ
投稿者名
[25759925]
usernon
さん
撮影日時
カメラ機種
レンズ名
シャッター速度
焦点距離
絞り数値
露出補正
ISO感度
フラッシュ
[25759925] usernonさんの画像一覧
ここ
マイナスドライバでショート方式
このウィンドウを閉じる