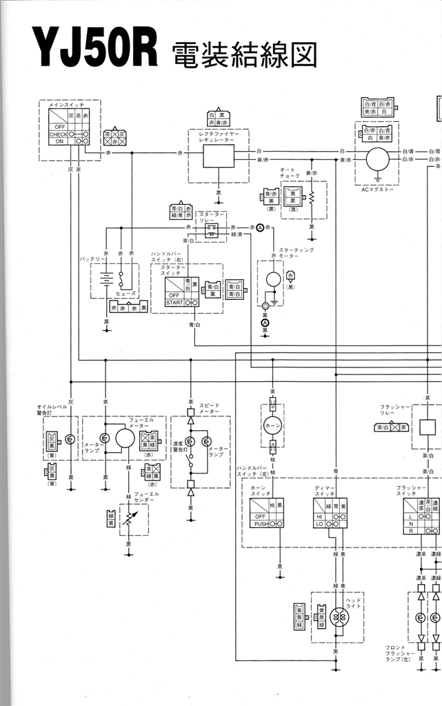
バイク(本体)すべて ウイングバーさんのクチコミ掲示板画像1/1
ホーム
>
自動車・バイク
>
バイク
>
画像1/1
Tweet
投稿者名
[18065723]
ウイングバー
さん
撮影日時
カメラ機種
レンズ名
シャッター速度
焦点距離
絞り数値
露出補正
ISO感度
フラッシュ
[18065723] ウイングバーさんの画像一覧
このウィンドウを閉じる